Présentation générale du show control EVP380, ses fonctionnalités et ses usages types en sonorisation publique et musique d’ambiance.
L'EVP380 est un lecteur de show control pour synchroniser de l'audio, de la vidéo 4k, 1 univers DMX512 et jusqu'à 64 univers Art-Net. Il a été conçu pour répondre aux besoins actuels de la gestion multisensorielle mêlant l'image, le son, la lumière et le mouvement.
Le logiciel Show Control Editor permet de créer et visualiser les événements DMX sur l'écran d'un PC en synchronisation avec le son et la vidéo. Une console ou un ordinateur avec un logiciel de lumière peut être branché sur l'entrée DMX du lecteur ou par le réseau Art-Net afin que EVP380 enregistre les shows et les restitue ensuite. Interactif, ce lecteur réagit à des ordres reçus sur son entrée DMX, sur ses contacts d'entrée, à travers sa programmation horaire, par liaison série RS-232 ou encore par requête http.
Avec sa mémoire intégrée de 4Go et son amplificateur audio, sa mise en oeuvre sera rapide avec peu de matériel supplémentaire.
Description du lecteur
Face avant du show control EVP380
- Entrée DMX

Sortie DMX

Capteur infrarouge pour la télécommande

Bouton de volume
Ajustez le volume audio à l'aide du bouton.LED d'activité
| Interaction | Fonction |
| Vert | Fixe : prêt, lecture stoppée Clignontant : prêt, en cours de lecture |
| Rouge | Veille |
Face arrière du show control EVP380

Sortie audio analogique pour connexion à un amplificateur

Sorties amplifiées pour connexion directe avec des haut-parleurs

Port USB 1 pour connexion à un support de stockage, un périphérique de pointage

Contact d'entrée couplé à une alimentation 12V

8 contacts d'entrée

Sortie vidéo/audio HDMI

Micro SD

Connecteur Ethernet 10/100 Mbit/s

Port USB 2

Alimentation du lecteur

Liaison série RS232

8 sorties sur Mosfet

Sortie alimentation 5V

Contacts d'entrée
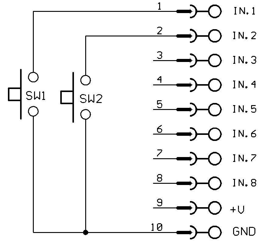
Le lecteur possède 8 entrées de contact distinctes. L'entrée 1 est doublée. Chaque entrée permet de connecter directement un bouton poussoir ou un capteur de la gamme Waves System. Un contact d'entrée est constitué de :
- In : entrée de déclenchement
- +V : Sortie de l'alimentation 12V permettant d'alimenter le dispositif externe
- G : La masse
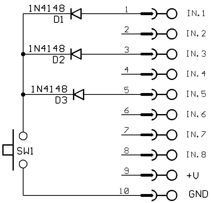
Les lecteurs comportant 8 entrées peuvent être complétés par une ou deux cartes d'extension (Ext15In). Chaque carte permet de convertir 4 entrées en 15 entrées grâce à la logique combinatoire des entrées.

Déclenchement du dossier 001 par bouton poussoir SW1. Déclenchement du dossier 002 par bouton poussoir SW2.

Exemple de combinaison d'entrées pour lancer le dossier 021.

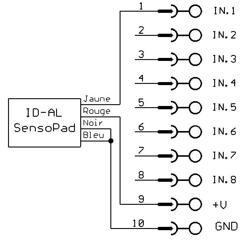
Exemple de déclenchement par un SensoPad alimenté par le lecteur pour lancer le dossier 001.
Le +V est un report de l'alimentation d'entrée. Avec une alimentation de 12V, la tension de sortie sera également de 12V. Le courant fourni ne pourra pas dépasser 500mA.
Contacts de sorties
Le lecteur EVP380 est équipé de pour permettre le pilotage de divers appareils externes. Grâce à cette fonctionnalité, il est possible d’allumer ou de contrôler des équipements tels que des lampes, des relais ou encore des moteurs, selon les besoins spécifiques de votre installation.
Le déclenchement des contacts de sortie s’effectue par le biais d’ associés au lecteur. Ces contacts de sortie sont réalisés à l’aide de , une technologie fiable et efficace pour ce type d’application (pour plus de détails, se référer au schéma fourni ci-dessous).
Chaque sortie du lecteur EVP380 peut fournir une . Cependant, il est important de noter que la puissance totale disponible pour l’ensemble des sorties est limitée à 2A. Cette configuration signifie que les sorties ne sont pas adaptées pour commuter directement des , mais plutôt pour des équipements à faible consommation, tels que des LEDs ou des petits relais.
Si vous souhaitez piloter des appareils nécessitant une puissance plus élevée, il est impératif d’utiliser une interface intermédiaire entre les sorties du lecteur et l’appareil à commander. Par exemple, vous pouvez opter pour un relais externe ou une , qui permettra de gérer la puissance requise tout en assurant une commande sécurisée et efficace.
Cet article a-t-il été utile ?
C'est super !
Merci pour votre commentaire
Désolé ! Nous n'avons pas pu vous être utile
Merci pour votre commentaire
Commentaires envoyés
Nous apprécions vos efforts et nous allons corriger l'article
